PRODUCT DESIGN

PRITISH NANDI

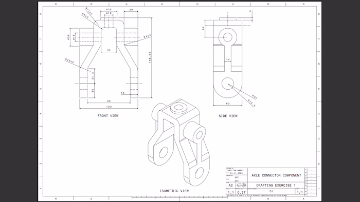
DURING THIS PROJECTS I DESIGN SMALL PARTS OF AN AUTOMOBILE UNIT. I WORKED ON SKETCHING AND THEN I MADE 2D DESIGN FROM THE SKETCHES AND AFTER WITH HELP OF CATIA V5 SOFTWARE I CREATED THE FINAL PRODUCT.
Like this project

Posted Jan 2, 2024

PART OF A MECHANICAL UNIT MADE FROM BASIC SKETCHES AND THEN 2D SKETCH TO 3D MODEL USING CATIA V5 SOFTWARE.

Likes

0

Views

18

PRODUCT ASSEMBLY OF MECHANICAL PART
PRODUCT ASSEMBLY OF MECHANICAL PART
ENGINEERING DRAWING
ENGINEERING DRAWING

Join 50k+ companies and 1M+ independents

Contra Logo

© 2025 Contra.Work Inc