Foldable Staircase Design

Rishabh Bisht

Like this project

Posted Mar 9, 2025

Engineered staircase to be suspended from the rooftop and foldable from the bottom, ensuring it fits under a 1.5 ft extended roof shed for protection from rain.

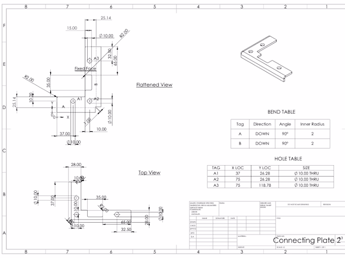
Cost-Effective Sheet Metal Frame Design for Lift System
Cost-Effective Sheet Metal Frame Design for Lift System
Custom Hydraulic Bed Design for Luxury Space Optimization
Custom Hydraulic Bed Design for Luxury Space Optimization

Join 50k+ companies and 1M+ independents

Contra Logo

© 2025 Contra.Work Inc