Sign Up

Janani .

Electronics grad skilled in PCB, circuit design and coding

    $1k+
    Earned
    2x
    Hired
    5.00
    Rating
    1
    Followers

Chennai, India

OverviewWorkReviewsServicesAbout
Cover image for Reconfigurable FIR-IIR filter
C++

C++

Researcher

Design Engineer

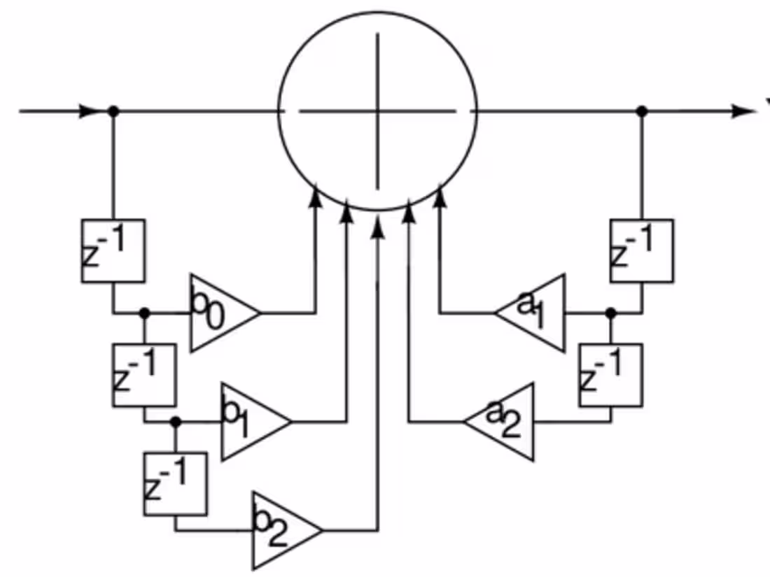
Reconfigurable FIR-IIR filter

0
3
Cover image for IoT projects

Inventor

Design Engineer

Researcher

IoT projects

0
0
Cover image for Arduino UNO - Automated Pest Electrocution System

Arduino

Researcher

Design Engineer

+1

Arduino UNO - Automated Pest Electrocution System

0
2