
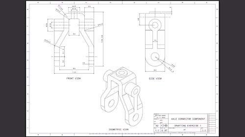
Converting your 2D sketches to 3D models
Contact for pricing
About this service
Summary
What's included
All .part file with all sketches iso-constrains and all .assembly file
all files will be deliverable after all revisions and errors resolutions.
Skills and tools
3D Designer
3D Renderer
Creative Designer
CAD
Industries